Product Summary
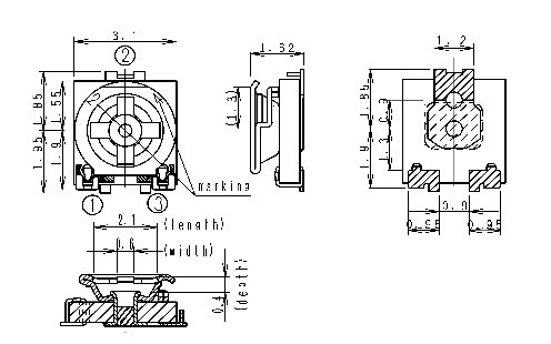
The EVM3ESX50B14 is a 3mm square trimmer potentiometer.
Parametrics
EVM3ESX50B14 specifications: (1)Power rating: 0.15W; (2)Maximum operating voltage: 50V(DC); (3)Voltage rating: Voltage rating should be maximum operating voltage when E shall exceed maximum operating voltage; (4)Operating temperature range: -40 deg.c to 100 deg.c; (5)Nominal total resistance: 100ohm to 1M ohm; (6)Tolerance of total resistance: ±25%.
Features
EVM3ESX50B14 features: (1)Resistance 0B (Linear): Conforming to JIS C 5260-1 4.9; (2)Law; (3)Minimum Resistance: Shall be below 2 % of Nominal Total Resistance: Conforming to JIS C 5260-1 4.7; (4)Temperature Coefficients of Resistance, Shall be within ± 250 ×10-6 /deg.C: Conforming to JIS C 5260-1 2.2.19; (5)Sliding Noise, Shall be below 5 % of Nominal Total Resistance: Conforming to JIS C 5260-1 4.15 method B.
Diagrams

![]()  | 
                            ![]() EVM3ESX50B13  | 
                            ![]() Other  | 
                            ![]()  | 
                            ![]() Data Sheet  | 
                            ![]() Negotiable  | 
                            
                            	 | 
                      ||||
![]()  | 
                            ![]() EVM3ESX50B23  | 
                            ![]() Other  | 
                            ![]()  | 
                            ![]() Data Sheet  | 
                            ![]() Negotiable  | 
                            
                            	 | 
                      ||||
![]()  | 
                            ![]() EVM3ESX50B33  | 
                            ![]() Other  | 
                            ![]()  | 
                            ![]() Data Sheet  | 
                            ![]() Negotiable  | 
                            
                            	 | 
                      ||||
![]()  | 
                            ![]() EVM3ESX50B52  | 
                            ![]() Other  | 
                            ![]()  | 
                            ![]() Data Sheet  | 
                            ![]() Negotiable  | 
                            
                            	 | 
                      ||||
![]()  | 
                            ![]() EVM3ESX50BC3  | 
                            ![]() Other  | 
                            ![]()  | 
                            ![]() Data Sheet  | 
                            ![]() Negotiable  | 
                            
                            	 | 
                      ||||
![]()  | 
                            ![]() EVM3ESX50BQ2  | 
                            ![]() Other  | 
                            ![]()  | 
                            ![]() Data Sheet  | 
                            ![]() Negotiable  | 
                            
                            	 | 
                      ||||
 (China (Mainland)) 
                         
                        
                                    






