Product Summary
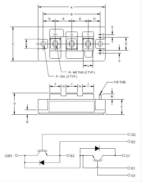
The CM300DY-12H is the Powerex IGBTMOD module. The CM300DY-12H is designed for use in switching applications. Each module consists of two IGBT Transistors in a half-bridge configuration with each transistor having a reverseconnected super-fast recovery free-wheel diode. All components and interconnects are isolated from the heat sinking baseplate, offering simplified system assembly and thermal management.
Parametrics
CM300DY-12H absolute maximum ratings: (1)Junction Temperature Tj: –40 to 150 ℃; (2)Storage Temperature Tstg: –40 to 125 ℃; (3)Collector-Emitter Voltage (G-E SHORT) VCES: 600 Volts; (4)Gate-Emitter Voltage VGES: ±20 Volts; (5)Collector Current IC: 300 Amperes; (6)Peak Collector Current ICM: 600Amperes; (7)Diode Forward Current IF: 300 Amperes; (8)Diode Forward Surge Current IFM: 600Amperes.
Features
CM300DY-12H features: (1)Low Drive Power; (2)Low VCE(sat); (3)Discrete Super-Fast Recover(70ns) Free-Wheel Diode; (4)HigFrequency Operation(20-25kHz); (5)Isolated Baseplate for Easy Heat Sinking.
Diagrams

| Image | Part No | Mfg | Description | ![]()  | 
                            Pricing (USD)  | 
                            Quantity | ||||||
|---|---|---|---|---|---|---|---|---|---|---|---|---|
![]()  | 
                            ![]() CM300DY-12H  | 
                            ![]()  | 
                            ![]() IGBT MOD DUAL 600V 300A H SER  | 
                            ![]() Data Sheet  | 
                            ![]() Negotiable  | 
                            
                            	 | 
                      ||||||
| Image | Part No | Mfg | Description | ![]()  | 
                            Pricing (USD)  | 
                            Quantity | ||||||
![]()  | 
                            ![]() CM3002  | 
                            ![]() Other  | 
                            ![]()  | 
                            ![]() Data Sheet  | 
                            ![]() Negotiable  | 
                            
                            	 | 
                      ||||||
![]()  | 
                            ![]() CM300DU-12F  | 
                            ![]()  | 
                            ![]() IGBT MOD DUAL 600V 300A F SER  | 
                            ![]() Data Sheet  | 
                            ![]() 
  | 
                            
                            	 | 
                      ||||||
![]()  | 
                            ![]() CM300DU-12H  | 
                            ![]()  | 
                            ![]() IGBT MOD DUAL 600V 300A U SER  | 
                            ![]() Data Sheet  | 
                            ![]() 
  | 
                            
                            	 | 
                      ||||||
![]()  | 
                            ![]() CM300DU-12NFH  | 
                            ![]()  | 
                            ![]() IGBT MOD DUAL 600V 300A NFH SER  | 
                            ![]() Data Sheet  | 
                            ![]() 
  | 
                            
                            	 | 
                      ||||||
![]()  | 
                            ![]() CM300DU-24F  | 
                            ![]()  | 
                            ![]() IGBT MOD DUAL 1200V 300A F SER  | 
                            ![]() Data Sheet  | 
                            ![]() 
  | 
                            
                            	 | 
                      ||||||
![]()  | 
                            ![]() CM300DU-24H  | 
                            ![]()  | 
                            ![]() IGBT MOD DUAL 1200V 300A U SER  | 
                            ![]() Data Sheet  | 
                            ![]() 
  | 
                            
                            	 | 
                      ||||||
 (China (Mainland)) 
                         
                        
                                    








