Product Summary
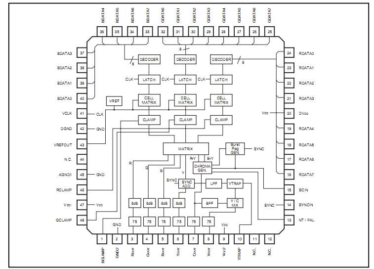
The BH7240AKV-E2 is an IC that converts digital RGB signals (8-bit) to NTSC and PAL color TV signals. In addition to composite output, luminance output, chrominance output, and analog RGB output are available. Each type of output is equipped with an internal 75Ω driver. The application of it is TV peripheral devices.
Parametrics
BH7240AKV-E2 absolute maximum ratings: (1)Power supply voltage:7V; (2)Power dissipation:900mW; (3)Operating temperature:-20 to +70℃; (4)Storage temperature:-55 to +125℃.
Features
BH7240AKV-E2 features: (1)Supports both NTSC and PAL; (2)Internal RGB3-channel DAC (internal regulator); (3)Internal burst timing generator circuit; (4)Y / C separation output pin; (5)Analog RGB signal output pin; (6)Internal 75Ω driver.
Diagrams

| Image | Part No | Mfg | Description | ![]() |
Pricing (USD) |
Quantity | ||||||
|---|---|---|---|---|---|---|---|---|---|---|---|---|
![]() |
![]() BH7240AKV-E2 |
![]() ROHM Semiconductor |
![]() Video ICs VIDEO ENCODER 48PIN |
![]() Data Sheet |
![]()
|
|
||||||
| Image | Part No | Mfg | Description | ![]() |
Pricing (USD) |
Quantity | ||||||
![]() |
![]() BH7236AF |
![]() Other |
![]() |
![]() Data Sheet |
![]() Negotiable |
|
||||||
![]() |
![]() BH7236AF-E2 |
![]() ROHM Semiconductor |
![]() Video ICs ENCODER RGB FOR NTSC |
![]() Data Sheet |
![]()
|
|
||||||
![]() |
![]() BH7240AKV |
![]() Other |
![]() |
![]() Data Sheet |
![]() Negotiable |
|
||||||
![]() |
![]() BH7240AKV-E2 |
![]() ROHM Semiconductor |
![]() Video ICs VIDEO ENCODER 48PIN |
![]() Data Sheet |
![]()
|
|
||||||
![]() |
![]() BH7272KV |
![]() Other |
![]() |
![]() Data Sheet |
![]() Negotiable |
|
||||||
![]() |
![]() BH7273KV |
![]() Other |
![]() |
![]() Data Sheet |
![]() Negotiable |
|
||||||
(China (Mainland))











